ГОСУДАРСТВЕННЫЙ СТАНДАРТ СОЮЗА ССР
ШПАТЛЕВКИ
ТЕХНИЧЕСКИЕ УСЛОВИЯ
ГОСТ 10277
ГОСУДАРСТВЕННЫЙ КОМИТЕТ СССР
ПО УПРАВЛЕНИЮ КАЧЕСТВОМ ПРОДУКЦИИ И СТАНДАРТАМ
ГОСУДАРСТВЕННЫЙ СТАНДАРТ СОЮЗА ССР
|
ШПАТЛЕВКИ Технические условия Putties. Specifications |
ГОСТ 10277-90 |
Срок действия с 01.01.91
до 01.01.96
Настоящий стандарт распространяется на шпатлевки, представляющие собой густые вязкие массы, состоящие из смеси пигментов и наполнителей в связующем веществе.
Шпатлевки предназначаются для заполнения неровностей и исправления дефектов окрашиваемой поверхности в системах покрытий, эксплуатируемых в атмосферных условиях и внутри помещений.
Шпатлевки наносят шпателем, наливом и методом пневматического распыления.
1. Марки и технические требования
1.1. В зависимости от рецептуры и назначения шпатлевки изготовляют нескольких марок (табл. 1).
| Марка | Код ОКП | Состав | Назначение |
|---|---|---|---|
| МС-006 розовая | 23 1294 0119 08 | Смесь пигментов, наполнителей и алкидностирольного лака | Для исправления мелких дефектов на загрунтованной металлической и деревянной поверхностях и на загрунтованной и покрытой эмалью поверхности |
| ХВ-004 зеленая серая |
23 1314 0108 08 23 1314 0103 02 |
Смесь пигментов, наполнителей и раствора поливинилхлоридной хлорированной смолы в органических растворителях с добавлением пластификатора | Для выравнивания и исправления дефектов загрунтованных металлических и деревянных поверхностей, для выправок по выявительному слою эмали |
| НЦ-008 красно коричневая защитная серая |
23 1414 0258 10 23 1414 0211 03 23 1414 0203 03 |
Смесь пигментов, наполнителей и раствора коллоксилина и органических растворителях с добавлением пластификатора и масел | Для выравнивания и исправления дефектов загрунтованных металлических и деревянных поверхностей, для выправок по выявительному слою эмали |
|
НЦ-0038 белая серая |
23 1414 0401 23 1414 0403 |
Суспензия пигментов в смеси коллоксилина, смолы в органических растворителях с добавлением пластификаторов | Для выравнивания и исправления деревянных поверхностей при их отделке (для мебели и других изделий) |
| ПФ-002 красно-коричневая | 23 1224 0158 10 | Смесь пигментов и наполнителей в пентафталевом лаке с добавлением органических растворителей | Для выравнивания и исправления дефектов загрунтованных металлических и деревянных поверхностей |
1.2. Шпатлевки изготовляют в соответствии с требованиями настоящего стандарта по рецептурам и технологическим регламентам, утвержденным в установленном порядке.
1.3. Характеристики
1.3.1. Шпатлевки ХВ-004, НЦ-008, МС-006, ПФ-002 наносят шпателем или методом пневматического распыления, шпатлевку НЦ-0038-шпателем или наливом.
1.3.2. Для разбавления шпатлевки ХВ-004 применяют растворители Р-4, Р-4А или Р-5, Р-5А по ГОСТ 7827, шпатлевок НЦ-008, НЦ-0038-растворители 645 или 646 по ГОСТ 1818Р, шпатлевки МС-006-ксилол по ГОСТ 9410 пли ГОСТ 9949, шпатлевки ПФ-002 -уайт-спирит (нефрас-С4-155/200) по ГОСТ 3134, скипидар по ГОСТ 1571 или смесь уайт-спирита с сольвентом по ГОСТ 1928 или ГОСТ 10214 в соотношении 1 : 1 (по массе).
1.3.3. Шпатлевки должны соответствовать требованиям, приведенным в табл. 2.
1.3.4. Требования безопасности
1.3.4.1. Шпатлевки являются токсичными и пожароопасными материалами.
Показатели токсичности и пожароопасности компонентов приведены в табл. 3.
Таблица 2
| Наименование показателя | Норма для шпатлевки марки | Метод испытания | ||||||||
| ПФ-002 | МС-006 | ХВ-004 | НЦ-008 | НЦ-0038 | ||||||
| красно-коричневая | розовая | серая | зеленая | серая | защитная | красно-коричневая | белая | серая | ||
| 1. Цвет шпатлевочного покрытия после высыхания | Оттенок не нормируется | По утвержденным образцам цвета | По п. 3.3 | |||||||
| 2. Внешний вид шпатлевочного покрытия после высыхания | Поверхность шпатлевого покрытия должна быть ровной, однородной, без пузырей, царапин, трещин и механических включений | По п. 3.4 | ||||||||
| 3. Время высыхания до степени 3, ч, не более: | По ГОСТ19007 и п. 3.5 настоящего стандарта | |||||||||
| при температуре (20+2)°С | 24 | 0,25 | 2 | 2 | 2,5 | 2,5 | 2,5 | 3 | 3 | |
| при температуре 80-85°С | 1 | - | - | - | - | - | - | - | - | |
| 4. Степень перетира, мкм, не более | 90 | 75 | - | - | - | - | - | - | - | По ГОСТ 6589 |
| 5. Условная вязкость шпатлевки при температуре (20,0+0,5)°С по ВЗ-246 (или ВЗ-4), сопло 4 мм, с, не менее | - | 19 | - | - | - | - | - | - | - | По ГОСТ 8420и п. 3.6 настоящего стандарта |
| по ВЗ-246, сопло 6 мм, с | - | - | 20-45 | 30-70 | - | - | - | - | - | |
| по ВЗ-1, сопло 5,4 мм, с | - | - | 35-60 | 50-100 | 30-80 | 30-80 | 30-80 | 30-70 | 30-70 | |
| 6. Пенетрация при температуре (25,0+0,5)°С, 10-1мм | 250-350 | - | - | - | - | - | - | - | - | По ГОСТ 5346 |
| 7. Стекание шпатлевки с вертикальной поверхности | Не стекает | - | - | - | - | - | - | - | - | По п. 3.7 |
| 8. Массовая доля нелетучих веществ. %, не менее | 75 | 80 | 67 | 60 | 70 | 70 | 65 | 63 | 63 | По ГОСТ 17537 и п. 3.8 настоящего стандарта |
| 9. Способность шлифоваться | Шлифуется с водой | Шлифуется без воды | По п. 3.9 | |||||||
| 10. Теплостойкость при температуре 65-70°С, ч, не менее | - | - | - | - | - | - | - | 8 | 8 | По п. 3.10 |
| 11. Эластичность при изгибе, мм, не более | 100 | 100 | 50 | 50 | 50 | 50 | 50 | - | - | По п. 3.11 |
| 12. Прочность при ударе на приборе У-1, см, не менее | 20 | 50 | 30 | 30 | 30 | 30 | 20 | - | - | По ГОСТ 4765 и п. 3.12 настоящего стандарта |
Примечание. Норма по показателю 5 для вискозиметра типа ВЗ-246 с диаметром сопла 6 мм не является браковочной до 01.01.93. Норма по показателю 5 для вискозиметра типа ВЗ-1 действует до 01.01.93. При определении внешнего вида наличие царапин для шпатлевки МС-006 не является браковочным.
Таблица 3
| Наименование компонента | Предельно допустимая концентрация паров вредных веществ в воздухе рабочей зоны производственных помещений, мг/м3 | Температура, °С | Концентрационные пределы воспламенения, % (объемная доля) | Класс опасности | ||
| вспышки | самовоспламенения | нижний | верхний | |||
| Стирол | 5 | 30 | 530 | 1,10 | 5,2 | 3 |
| Диметиланилин | 0,2 | 53 | 400 | - | - | 2 |
| Ксилол | 50 | 21 | 450 | 1,00 | 6,0 | 3 |
| Толуол | 50 | 4 | 536 | 1,30 | 6,7 | 3 |
| Ацетон | 200 | Минус 18 | 500 | 2,20 | 13,0 | 4 |
| Уайт-спирит | 100 | 33 | 270 | 1,40 | 6,0 | 4 |
| Этилацетат | 200 | Минус 3 | 400 | 3,55 | 16,8 | 4 |
| Бутилацетат | 200 | 29 | 370 | 2,20 | 14,7 | 4 |
| Спирт этиловый | 1000 | 10 | 404 | 3,60 | 19,0, | 4 |
| Спирт бутиловый | 10 | 34 | 345 | 1,70 | 12,0 | 3 |
| Спирт изобутиловый | 10 | 28 | 390 | 1,84 | 7,3 | 3 |
| Сольвент | 100 | 20 | 553 | 1,30 | 8,0 | 4 |
| Скипидар | 300 | 34 | 300 | 0,80 | - | 4 |
1.3.4.2. При производстве и применении шпатлевок должны соблюдаться правила промышленной санитарии и пожарной безопасности по ГОСТ 12.3.005.
1.3.4.3. Все работы, связанные с изготовлением и применением шпатлевок, должны проводиться в цехах, снабженных приточно-вытяжной вентиляцией и противопожарными средствами по ГОСТ 12.1.005
1.3.4.4. Лица, связанные с изготовлением и применением шпатлевок, должны быть обеспечены средствами индивидуальной защиты по ГОСТ 12.4.011
1.3.4.5. Средства тушения пожара при производстве и применении шпатлевок: песок, кошма, углекислотные огнетушители ОУ-2 или ОУ-5 по ГОСТ 7276, пенные огнетушители ОХП-10 или ОВП-100, огнетушители марок ОП-05, пенные установки, инертные газы.
1.3.4.6. При производстве шпатлевок образуются твердые, жидкие и газообразные отходы, которые могут вызвать загрязнение атмосферного воздуха и воды.
Контроль за соблюдением предельно допустимых выбросов (ПДВ) должен осуществляться в соответствии с ГОСТ 17.2.3.02 Все твердые и жидкие отходы, образующиеся после фильтрации, промывки оборудования, коммуникации, чистки окрасочных камер в виде загрязненных растворителей и использованных фильтров, должны быть собраны в специальные автоцистерны и емкости, своевременно вывезены и подвергнуты ликвидации в соответствии с порядком накопления, транспортировки, обезвреживания и захоронения промышленных отходов.
1.4. Маркировка
1.4.1. Маркировка шпатлевок - по ГОСТ 9980.4
1.4.2. На транспортную тару должны быть нанесены манипуляционный знак «Боится нагрева» по ГОСТ 14192 знак опасности и классификационный шифр группы опасных грузов 3212 по ГОСТ 19433 серийный номер ООН - 1139.
1.5. Упаковка
1.5.1. Шпатлевки всех марок упаковывают по ГОСТ 9980.3
1.5.2. Металлические банки со шпатлевкой, предназначенных для розничной торговой сети, допускается упаковывать в ящики из сплошного склеенного картона.
2. ПРИЕМКА
2.1. Правила приемки - по ГОСТ 9980.1
2.2. Показатель 10 табл. 1 для шпатлевки НП-0038 и показатели 11 и 12 для шпатлевок МС-006, ХВ-004 и НЦ-008 изготовитель определяет периодически в каждой десятой партии.
2.3. При получении неудовлетворительных результатов периодических испытаний изготовитель проверяет каждую партию до получения удовлетворительных результатов испытаний подряд не менее чем в трех партиях.
3. МЕТОДЫ ИСПЫТАНИЙ
3.1. Отбор проб - по ГОСТ 9980.2
Перед испытанием пробы шпатлевок в плотно закрытой таре доводят до температуры (20±2)°С.
3.2. Подготовка образцов к испытанию
3.2.1. Для шпатлевки НЦ-0038 все показатели определяют на деревянных пластинках размером 70´150 мм толщиной 5-10 мм.
Для шпатлевок других марок эластичность шпатлевочного покрытия при изгибе определяют на пластинках из черной жести по ГОСТ 13345 размером 70´170 мм и толщиной 0,25-0,32 мм. Остальные показатели определяют на пластинках из стали марок 08 кп или 08 пс по ГОСТ 16523 размером 70х150 мм и толщиной 0,8-0,9 мм.
Пластинки для нанесения шпатлевок подготавливают по ГОСТ 8832 разд. 3.
Для нанесения шпатлевок ПФ-002, МС-006, ХВ-004 и НЦ-008 применяют пластинки, предварительно загрунтованные грунтовкой ГФ-021 по ГОСТ 25129 или ГФ-0119 по ГОСТ 23343 или другими взаимозаменяемыми грунтовками. Поверхность грунтовки после высыхания шлифуют шлифовальной шкуркой зернистостью 4-6 по ГОСТ 6456 или ГОСТ 10054
При разногласиях в оценке качества шпатлевок следует применять грунтовку марки ГФ-021.
3.2.2. Шпатлевку марки МС-006 наносят на пластинки шпателем без трафарета. Толщина шпатлевочного покрытия после высыхания должна быть 40-50 мкм.
Остальные шпатлевки наносят на подготовленные пластинки шпателем при помощи специального устройства.
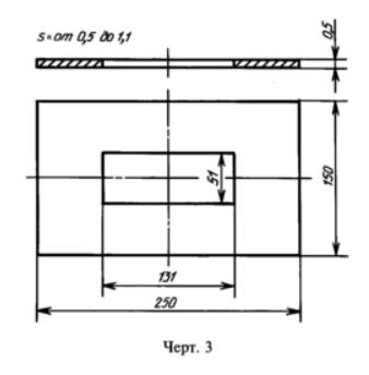
Устройство для нанесения шпатлевок (черт. 1-4) состоит из стальной плиты, к которой прикреплены четыре скобы с упорными барашками, прижимной стальной рамки и металлических трафаретов различной толщины. Поверхности плиты и рамки должны быть пришлифованы.
Подготовленную пластинку плотно зажимают между плитой и трафаретом при помощи рамки и упорных барашков и металлическим шпателем наносят на нее шпатлевку до краев трафарета, снимая избыток. Размер выреза в трафарете-50х130 мм.
При нанесении шпатлевок ХВ-004 и НЦ-008 применяют трафарет толщиной 0,3 мм, шпатлевки ПФ-002-трафарет толщиной 0,5 мм. Толщина шпатлевочного покрытия после высыхания должна быть для шпатлевки НЦ-008 не более 120 мкм, для шпатлевки ХВ-004-не более 150 мкм, для шпатлевки ПФ-002-не более 400 мкм.
При нанесении шпатлевки НЦ-0038 для определения цвета, внешнего вида, времени высыхания и способности шлифоваться применяют трафарет толщиной 0,5 мм. Толщина шпатлевочного покрытия после высыхания должна быть 100-150 мкм. При определении теплостойкости шпатлевку НЦ-0038 наносят по трафарету толщиной 1,5 мм. Толщина шпатлевочного покрытия после высыхания должна быть не более 500 мкм.
Шпатлевки сушат при температуре и в течение времени, указанных в табл. 2. Для определения теплостойкости шпатлевки НЦ-0038 образцы сушат при температуре (20±2)°С в течение 6 ч. Для определения эластичности при изгибе шпатлевки ПФ-002 образцы сушат при температуре (20±2)°С в течение 24 ч, после сушки поверхность шпатлевки шлифуют шлифовальной шкуркой зернистостью 4-6 по ГОСТ 10054 при смачивании водой и выдерживают на воздухе при температуре (20±2)°С в течение 1 ч.
Перед горячей сушкой пластинки с нанесенной шпатлевкой ПФ-002 выдерживают при температуре (20±2)°С в течение 3 ч. После горячей сушки пластинки охлаждают до температуры (20±2)°С.
Толщину шпатлевочного покрытия изменяют микрометром типа МР по ГОСТ 4381
3.3. Цвет шпатлевок определяют визуально при искусственном или естественном рассеянном свете. Цвет шпатлевки НЦ-0038 определяют путем сравнения с утвержденными контрольными образцами цвета.
3.4. Внешний вид шпатлевочного покрытия после высыхания определяют визуально путем осмотра поверхности до и после шлифования при искусственном или естественном рассеянном свете. Шлифование проводят (без применения воды) шлифовальной шкуркой зернистостью 4-6 по ГОСТ 6456 или ГОСТ 10054
При разногласиях цвет и внешний вид шпатлевочного покрытия определяют при естественном свете.
3.5. Время и степень высыхания определяют по ГОСТ 19007
При определении времени высыхания допускается удаление бумаги любым способом, не приводящим к видимым повреждениям шпатлевочного покрытия.
3.6. Вязкость шпатлевок определяют по ГОСТ 8420
Перед определением вязкости шпатлевки разбавляют растворителями.
Шпатлевки ХВ-004, НЦ-008 и НЦ-0038 разбавляют ацетоном по ГОСТ 2768 в соотношении по массе 4: 1 соответственно.
Шпатлевку МС-006 разбавляют ксилолом по ГОСТ 9410 или ГОСТ 95-49 в соотношении по массе 5 : 1 соответственно.
3.7. Стекание шпатлевки ПФ-002 с вертикальной поверхности определяют визуально на одном образце. Для этого пластинку с нанесенной шпатлевкой устанавливают в вертикальном положении (по длине пластинки) и выдерживают ее при температуре (20±2)°С в течение 30 мин. Шпатлевка не должна стекать.
3.8. Массовую долю нелетучих веществ определяют по ГОСТ 17537 п. 1.4.4.
Навески шпатлевок ПФ-002 и МС-006 нагревают в сушильном шкафу при температуре (140±2)°С, навески шпатлевок ХВ-004, НЦ-008 и НЦ-0038 нагревают в сушильном шкафу при температуре (105±2)°С.
Первое взвешивание проводят через 1 ч сушки, последующие взвешивания - через каждые 30 мин до достижения постоянной массы.
Допускается определять массовые доли нелетучих веществ под инфракрасной лампой при тех же температурах.
При разногласиях в оценке за окончательный принимают результат определения, проведенного в сушильном шкафу.
3.9. Определение способности шлифоваться
Испытание проводят на одном образце. После высыхания поверхность шпатлевок ПФ-002, МС-006, ХВ-004 и НЦ-008 шлифуют водостойкой шлифовальной шкуркой зернистостью 4-6 по ГОСТ 10054
Шлифование проводят равномерно по всей поверхности, смачивая ее водой. После шлифования поверхность шпатлевки промывают водой и насухо протирают мягкой тканью.
Шпатлевка соответствует настоящему стандарту, если при шлифовании в течение 15 мин она не размокает и образуется ровная матовая поверхность.
Поверхность шпатлевки НЦ-0038 шлифуют шлифовальной шкуркой зернистостью 4-6 сухим методом. Допускается легкое засаливание шкурки.
3.10. Определение теплостойкости шпатлевки
Три пластинки со шпатлевкой НЦ-0038, подготовленные в соответствии с п. 3.2.2, помещают в сушильный шкаф и выдерживают при температуре 65-70°С в течение 8 ч, затем вынимают, охлаждают в течение 2 ч и осматривают.
Шпатлевочное покрытие не должно иметь трещин, видимых невооруженным глазом.
3.11. Определение эластичности при изгибе
Эластичность шпатлевочного покрытия при изгибе определяют с помощью прибора, показанного на черт. 5.
Прибор состоит из металлической плиты, к которой прикреплены полуцилиндры диаметром 100 и 50 мм, подвижной рамки с прижимным валиком для прижатия пластинки к цилиндрической поверхности, винта крепления и деревянной подставки.
Пластинку при помощи винта крепления укрепляют одним концом на приборе и при опускании рамки в горизонтальное положение прижимают валиком к цилиндрической поверхности.
Испытание проводят на трех образцах. Подготовленные образцы выдерживают в течение 2 ч в сушильном шкафу: шпатлевки ХВ-004, НЦ-008 - при температуре 60-70°С, шпатлевку МС-006 - при температуре 90-100°С. Затем пластинки вынимают и охлаждают в течение 30 мин.
Шпатлевки считают соответствующими настоящему стандарту, если на их поверхности при изгибе по полуцилиндру 100 или 50 мм не образуется трещин, видимых невооруженным глазом. Трещины на расстоянии до 15 мм от краев шпатлевочного покрытия в расчет не принимают.
3.12. Определение прочности при ударе
Прочность шпатлевочного покрытия при ударе определяют по ГОСТ 4765 на приборе типа У-1. Образцы шпатлевок ХВ-004 и НЦ-008 перед испытанием выдерживают в сушильном шкафу при температуре 60-70°С в течение 2 ч с последующим охлаждением в течении 30 мин.
4. ТРАНСПОРТИРОВАНИЕ И ХРАНЕНИЕ
4.1. Транспортирование и хранение шпатлевок - по ГОСТ 9980.5
5. ГАРАНТИИ ИЗГОТОВИТЕЛЯ
5.1. Изготовитель гарантирует соответствие шпатлевок требованиям настоящего стандарта при соблюдении условий транспортирования и хранения.
5.2. Гарантийный срок хранения шпатлевок всех марок- 6 мес. со дня изготовления.
Прибор для определения эластичности шпатлевок при изгибе
ИНФОРМАЦИОННЫЕ ДАННЫЕ
1. РАЗРАБОТАН И ВНЕСЕН Министерством химической и нефтеперерабатывающей промышленности СССР
РАЗРАБОТЧИКИ
В. В. Задымов, канд. хим. наук; Э. Н. Шубина, канд. техн. наук: Н. В. Лукьянова, канд. техн. наук;Н. Б. Гурова; О. Б. Бабаева
2. УТВЕРЖДЕН И ВВЕДЕН В ДЕЙСТВИЕ Постановлением Государственного комитета СССР по управлению качеством продукции и стандартам от 25.01.90 № 85
3. Периодичность проверки - 5 лет
4. ВЗАМЕН ГОСТ 10277-76 в части марок ПОР-002, МО-006, ХВ-004, НЦ-008
5. ССЫЛОЧНЫЕ НОРМАТИВНО-ТЕХНИЧЕСКИЕ ДОКУМЕНТЫ
| Обозначение НТД, на который дана ссылка | Номер пункта, подпункта |
|---|---|
| ГОСТ 12.1.005-88 | 1.3.4.3 |
| ГОСТ 12.3.005-75 | 1.3.4.2 |
| ГОСТ 12.4.011-87 | 1.3.4.4 |
| ГОСТ 17.2.3.02-78 | 1.3.4.6 |
| ГОСТ 1671-82 | 1.3.2 |
| ГОСТ 1928-79 | 1.3.2 |
| ГОСТ 2768-84 | 3.6 |
| ГОСТ 3134-78 | 1.3.2 |
| ГОСТ 4381-87 | 3.2.2 |
| ГОСТ 4765-73 | 1.3.3; 3.12 |
| ГОСТ 5346-78 | 1.3.3; 3.6 |
| ГОСТ 6456-82 | 3.2.1; 3.4 |
| ГОСТ 6589-74 | 1.3.3 |
| ГОСТ 7276-77 | 1.3.4.5 |
| ГОСТ 7827-74 | 1.3.2 |
| ГОСТ 8420-74 | 1.3.3; 3.6 |
| ГОСТ 8832-76 | 3.2.1 |
| ГОСТ 9410-78 | 1.3.2; 3.6 |
| ГОСТ 9949-76 | 1.3.2; 3.6 |
| ГОСТ 9980.1-86 | 2.1 |
| ГОСТ 9980.2-86 | 3.1 |
| ГОСТ 9980.3-86 | 1.6.1 |
| ГОСТ 9980.4-86 | 1.4.1 |
| ГОСТ 9980.5-86 | 4.1 |
| ГОСТ 10054-82 | 3.2.1; 3.2.2; 3.4; 3.9 |
| ГОСТ 10214-78 | 1.3.2 |
| ГОСТ 13345-85 | 3.2.1 |
| ГОСТ 14192-77 | 1.4.2 |
| ГОСТ 16523-70 | 3.2.1 |
| ГОСТ 17537-72 | 1.3.3; 3.8 |
| ГОСТ 18188-72 | 1.3.2 |
| ГОСТ 19007-73 | 1.3.3; 3.5 |
| ГОСТ 19433-88 | 1.4.3 |
| ГОСТ 23313-78 | 3.2.1 |
| ГОСТ 25129-82 | 3.2.1 |
